Проектирование
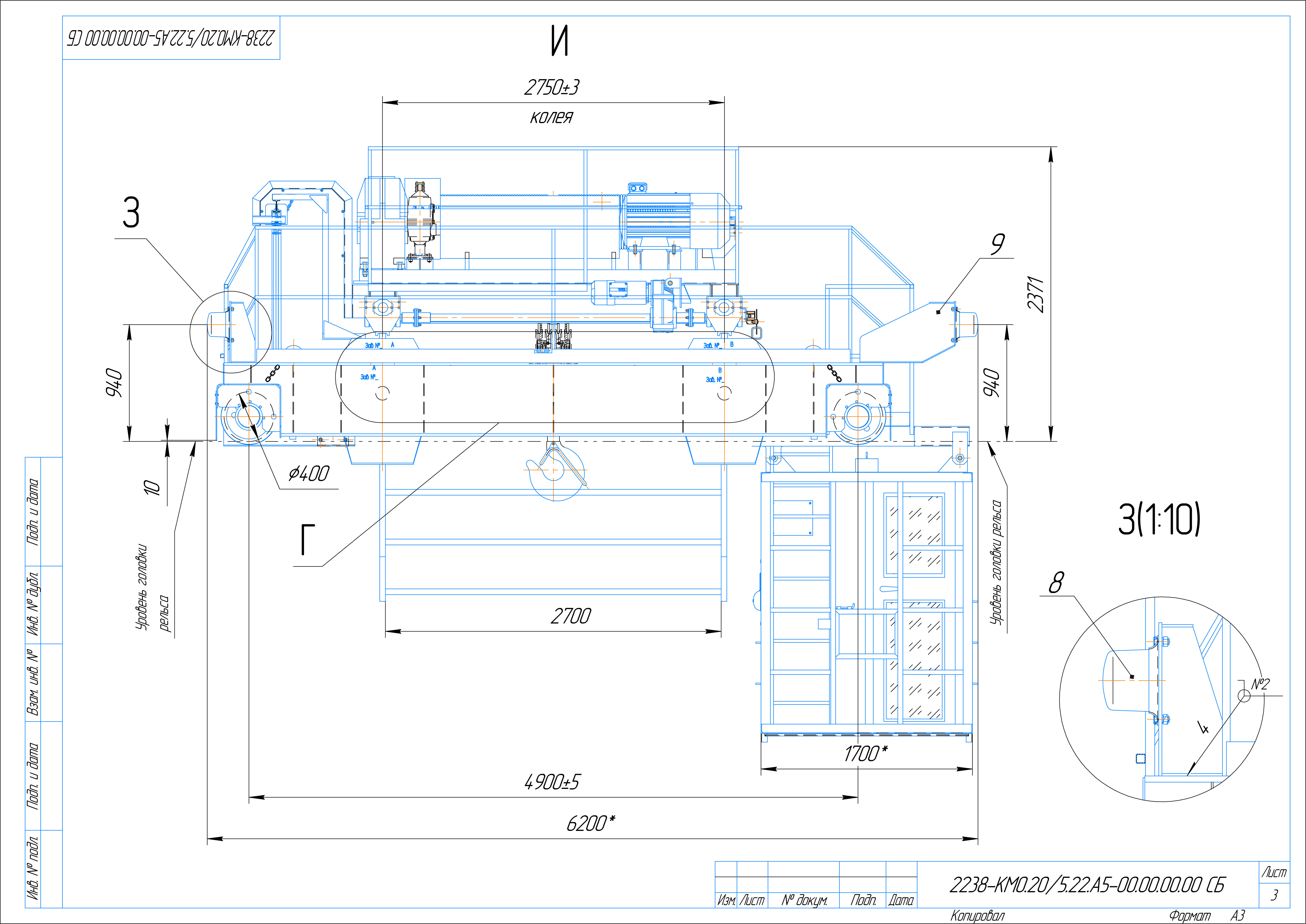
Проектирование мостового двухбалочного крана г/п 20/5 тонн, пролёт 22 метра
Изготовление крана
Стапельная сборка мостового двухбалочного крана
Отгрузка мостового двухбалочного крана
Отгрузка крана клиенту производится собственным специализированным транспортом.